会员登录
|
免费注册
|
忘记密码
|
管理入口
返回主站
|
|
保存桌面
|
手机浏览
|
联系方式
|
购物车
龙西电气有限公司
加关注
0
配电开关控制设备、高低压开关柜、壳体、电缆分支箱、电缆附件、箱式变电站、高低压电器及配件、电子元件、开关、变压器、电力自动化设备及保护装置、楼宇智能控制设备、仪..
19905871835
网站首页
帮助中心
公司介绍
在线商城
供应产品
采购清单
公司新闻
荣誉资质
人才招聘
联系方式
公司相册
招商代理
品牌展示
公司视频
展会信息
友情链接
帮助中心
在线商城
供应产品
采购清单
公司新闻
荣誉资质
人才招聘
公司相册
招商代理
品牌展示
公司视频
展会信息
友情链接
搜索
企业档案
企业会员
第
7
年
龙西电气有限公司
陈玲琼
先生
经营:
配电开关控制设备、高低压开关柜、壳体、电缆分支箱、电缆附件、箱式变电站、高低压电器及配件、电子元件、开关、变压器、电力自动化设备及保护装置、楼宇智能控制设备、仪..
主营:
工控电器
地区:
浙江-温州市
TA的个人空间
新闻中心
暂无新闻
产品分类
暂无分类
联系方式
联系人:陈玲琼
电话:19905871835
站内搜索
帮助中心
在线商城
供应产品
采购清单
公司新闻
荣誉资质
人才招聘
公司相册
招商代理
品牌展示
公司视频
展会信息
友情链接
荣誉资质
暂未上传
友情链接
暂无链接
首页
>
供应产品
>
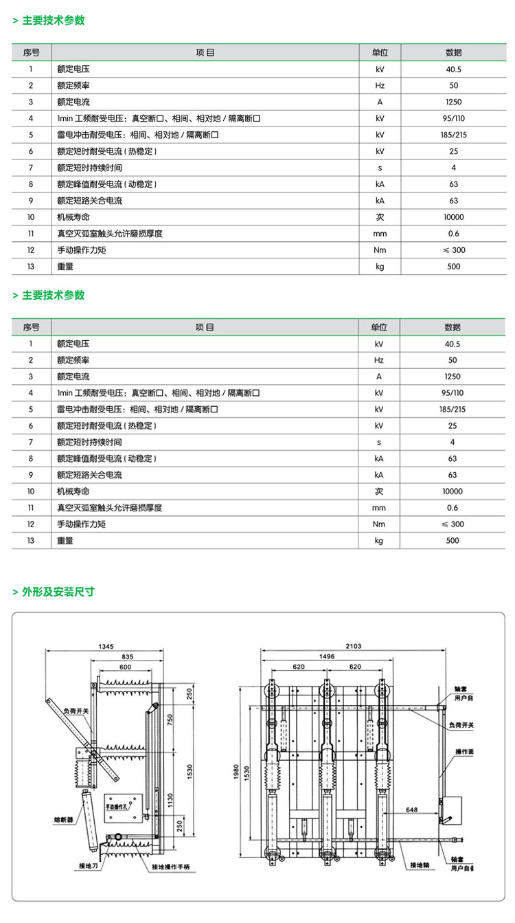
厂家直供户外高压隔离真空负荷开关FZW-40.5/1600-31.5手动现货
厂家直供户外高压隔离真空负荷开关FZW-40.5/1600-31.5手动现货
单价
¥
19600.00
/ 个
对比
销量
暂无
浏览
433
发货
浙江温州市
库存
100个
起订1个
过期
长期有效
更新
2019-06-19 10:23
详细信息
Copyright ©2025 龙西电气有限公司 版权所有 地址:中国浙江温州乐清市乐清经济开发区经八路178号(绿能电力科技有限公司内) 访问量:1905
技术支持:
中国电工电器
19905871835