会员登录
|
免费注册
|
忘记密码
|
管理入口
返回主站
|
|
保存桌面
|
手机浏览
|
联系方式
|
购物车
深圳市捷连通电气有限公司
加关注
0
一般经营项目:连接器、连接线、航空插头、电线、电子产品、电气产品、五金制品、塑胶产品的技术开发与销售;国内贸易,货物及技术进出口。(法律、行政法规、国务院决定禁..
18818592278
网站首页
帮助中心
公司介绍
在线商城
供应产品
采购清单
公司新闻
荣誉资质
人才招聘
联系方式
公司相册
招商代理
品牌展示
公司视频
展会信息
友情链接
帮助中心
在线商城
供应产品
采购清单
公司新闻
荣誉资质
人才招聘
公司相册
招商代理
品牌展示
公司视频
展会信息
友情链接
搜索
企业档案
企业会员
第
7
年
深圳市捷连通电气有限公司
朱湘露
先生
经营:
一般经营项目:连接器、连接线、航空插头、电线、电子产品、电气产品、五金制品、塑胶产品的技术开发与销售;国内贸易,货物及技术进出口。(法律、行政法规、国务院决定禁..
主营:
变压器
地区:
广东-深圳市
TA的个人空间
新闻中心
暂无新闻
产品分类
暂无分类
联系方式
联系人:朱湘露
电话:18818592278
站内搜索
帮助中心
在线商城
供应产品
采购清单
公司新闻
荣誉资质
人才招聘
公司相册
招商代理
品牌展示
公司视频
展会信息
友情链接
荣誉资质
暂未上传
友情链接
暂无链接
首页
>
供应产品
>
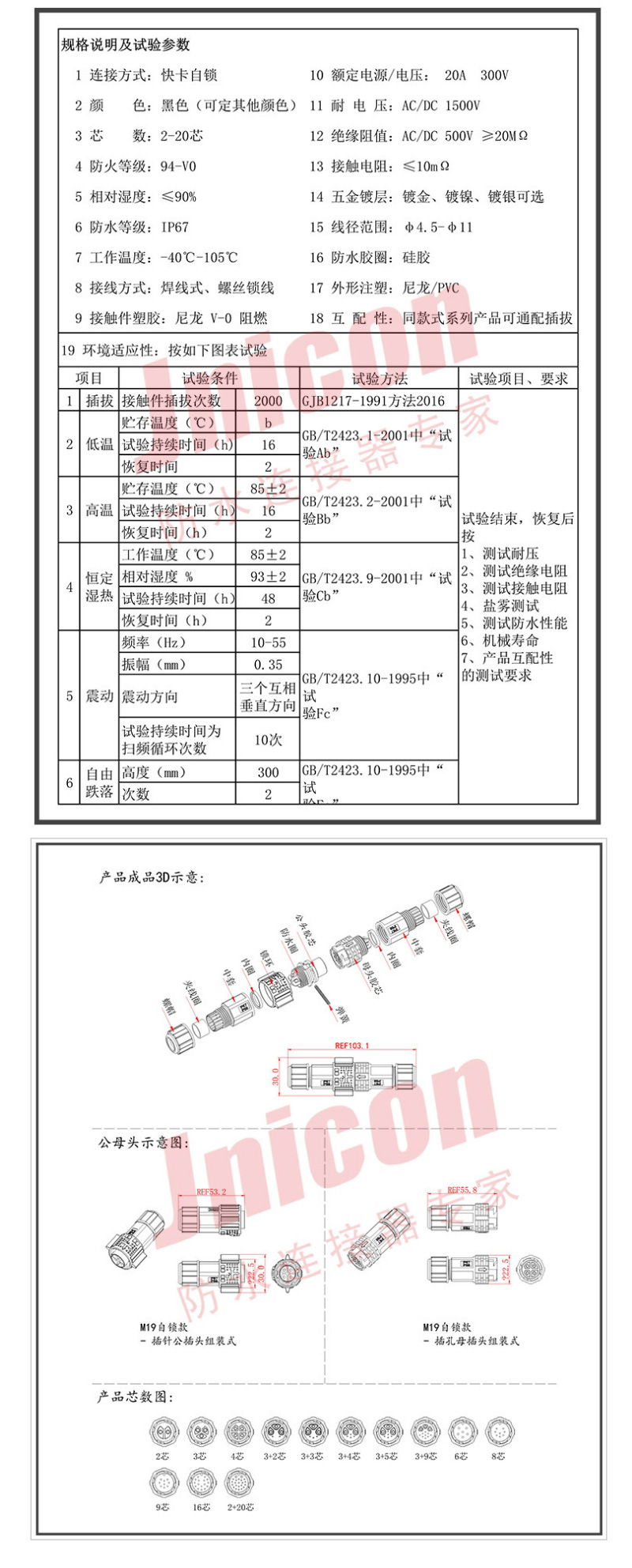
源头厂家 M19塑料防水插头 4芯快速插拔自锁防水接头 防水连接器
源头厂家 M19塑料防水插头 4芯快速插拔自锁防水接头 防水连接器
单价
¥
6.00
/ PCS
对比
销量
暂无
浏览
329
发货
广东深圳市
库存
1000PCS
起订1PCS
过期
长期有效
更新
2019-02-28 10:21
详细信息
Copyright ©2025 深圳市捷连通电气有限公司 版权所有 地址:中国广东深圳宝安区燕罗街道燕川社区朝阳路富比伦工业园B栋厂房903 访问量:1975
技术支持:
中国电工电器
18818592278