YHOK-众宏四轴搬运机器人
三维焊接机器人、三维切割机器人、三维机器人

众宏YHOK众宏六轴机器人
■ 产品简介/Product Introduction:
● 众宏搬运机器人:外形小巧、体积小、重量轻,用于组建小型单元的机器人,能够高速、高精度的完成上下料、分拣、装配等各项工作。机器人所有线缆内置,能够在狭小的空间内灵活的进行作业
● 搬运机器人是可以进行自动化搬运作业的工业机器人。搬运作业是指用一种设备握持工件,是指从一个加工位置移到另一个加工位置。搬运机器人可安装不同的末端执行器以完成各种不同形状和状态的工件搬运工作,大大减轻了人类繁重的体力劳动。目前世界上使用的搬运机器人逾10万台,被广泛应用于机床上下料、冲压机自动化生产线、自动装配流水线、码垛搬运、集装箱等的自动搬运。部分发达国家已制定出人工搬运的最大限度,超过限度的必须由搬运机器人来完成。搬运机器人是近代自动控制领域出现的一项高新技术,涉及到了力学,机械学,电器液压气压技术,自动控制技术,传感器技术,单片机技术和计算机技术等学科领域,已成为现代机械制造生产体系中的一项重要组成部分。它的优点是可以通过编程完成各种预期的任务,在自身结构和性能上有了人和机器的各自优势,尤其体现出了人工智能和适应性。

YHOK众宏六轴焊接机器人
■ 产品优势/Product Advantage:
● (1) 1、最高速度
采用轻质器材,小型马达,大速度提高了最快速度和加速度。而且,通过合并调整
负载能力和机器人姿态,改变了加速度数值。
● (2) 小巧的手腕与高力矩
小巧的手腕可以在狭小的空间里自由运转。而且,通过高输出转矩,高回转速度的小型马达和强化
钢性的手臂,提升了手臂负载能力,扩大了工具工件形状的适用范围。
● (3) 宽广的工作范围
由于扩大了到达范围和动作行程,也随之扩大了机器人的下方和邻近的可能动作范围,提高了布局的自由度。
● (4) 良好的适应环境性
各关节部采用双层密封构造和防水插口,使得手腕部分的防护等级达到IP67,基轴防护等级达到IP65。
● (5) 高扩展性

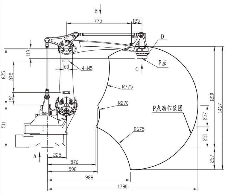
■ 性能参数/Performance Parameter:
| 名 称 | 搬 运 机 器 人 |
| 类型 | 垂直关节4自由度 |
| 主要用途 | 搬运、冲压、焊接 |
| 规格 | ZHJ-660 |
| 最大可搬重量 | 10KG |
| 重复定位精度 | ±0.08mm |
| 电源容量 | 3.7KVA |
| 本体重量 | 120kg |
| 安装方法 | 地面 |
■ 运动范围/Range Of otion:
| 轴 | 运 动 范 围 | 最 大 速 度 |
| JT1 | ±170° | 125°/S |
| JT2 | +145° ~ -105° | 145°/S |
| JT3 | +145° ~ -75° | 160°/S |
| JT4 | ±360° | 160°/s |
| / | / | / |
| / | / | / |
■样品展示/Sample Display:


■ 荣誉资质/Honorary Qualification:


■ 众宏搬运机器人/ Handling Robot:
众宏(上海)自动化股份有限公司,是国内领先的工业机器人研发制造商,坐落于上海市机器人产业园。是一家集研究、设计、生产、销售各类自动化设备于一体的高新技术企业。公司产品涉及各类工业机器人,包括焊接、搬运、喷涂、码垛、和三维激光切割机器人。公司也可为客户设计制造各类非标焊割设备和生产流水线。我公司拥有优秀的技术人才,不断进行新产品的开发和应用,保障技术和产品的先进性,以满足客户需求为己任,为客户提供从设计、生产到培训全方位服务,提供真正适合客户需求先进的个性化产品。公司一贯坚持“质量为本,用户至上,优质服务,信守合同”的宗旨,凭借高质量的产品,良好的信誉,优质的服务,产品畅销全国各地。坚持培育有中国特色的制造文化,实现制造业由大变强的历史跨越。
未来工业将是智能制造的世界。工业机器人将在更多的行业和领域的智能化生产中得到更加广泛的应用。我们将始终专注于提供更加便捷、高效、优质的工业机器人产品和服务,以期和更多的合作伙伴和用户一起成长,合作共赢,努力成为中国工业机器人本体制造标杆企业!
■ 技术支持/Technical upport:

■ 联系我们/Contact Us:


