

应用案例:
GSK RB165机器人在广汽覆盖件搬运装箱生产线的应用

■ 项目介绍
1、项目简介:项目为广汽冲压厂内小车防护底板经冲压成形后需自动转运堆垛成箱的应用。项目主要设备构成:4台RB165机器人、两条皮带输送线、两套视觉移运定位捕捉系统、4套工件抓取端拾器、1套产线控制系统,整线节拍每6秒完成1件工件装箱。
2、创新点:工件在皮带上以750㎜/S的移动速度输送, 通过视觉系统对工件进行捕捉定位再由机器人抓取工件,难点在于随动抓取。
3、性能指标: 抓取工件尺寸:1700MM×1500MM,工件重20KG,工件材质:Q235A,每小时满负荷工作实现3600件的转运和装箱产能。
4、典型性和代表性:项目使用视觉系统对在输送线上移动的工件进行动态捕捉定位,用端拾器吸取工件通过机器人运动实现工件搬运,在原位堆垛成箱。可以广泛适用于汽车厂同类型产品生产车间内工序的物料搬运和物流输送作业,也可以推广到钢板件加工或注塑件成型后等后工序间物料搬运和物流输送作业。
■ 产线效益
该自动化线可节省12个工人,如果按汽车厂均是3班倒,可节省36个工人。以每个工人7万一年的人工成本算。全年节省252万,项目投入当年即可回本。
该自动化线使用自主研发、制造的RB165机器人,生产节拍6S/件,与国外品牌的机器人作业节拍比,处于同一档次。
该项目成功应用于广汽使用,打破了国外品牌机器人在这一领域里的垄断,在国内处于领先水平。
■ 客户口碑
1、可实现不间断作业,提升生产效率;
2、提高产品质量和一致性;
3、降低能源资源消耗,生产过程对环境污染小;
4、节省人力并降低工伤风险;
5、机器人性能稳定,零部件故障率低,维修需求简单;
6、生产线结构紧凑,合理利用了空间。
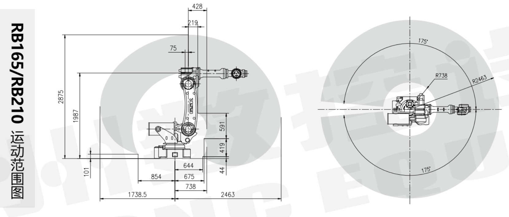
运动范围:



