| 额定电压 | 380/220(V) |
|---|---|
| 超行程 | 30 |
| 工作行程 | 12 |
| 额定电流 | 5(A) |
| 结构类型 | 滚轮式 |
| 开关类型 | 常开 |
| 应用范围 | 输送机 |
| 产品认证 | CE |
| 品牌 | 顺通 |
| 型号 | 跑偏开关YHPK-12-35 |
销售电话:0577-62759727
传真:0577-56848099
13736925020


主要用途: 跑偏开关用于检测胶带的跑偏量和扭曲程度。可防止皮带边缘的损伤和因为胶带的跑偏而引起的物料散落。是实现自动报警和停机的一种保护性开关。使用条件:1★环境温度:-40℃~+60℃;2★相对温度:不大于90%;3★大气压力:80~110kpa;4★海拔高度:不超过2000M;5★使用寿命:开关动作10万次;6★绝缘电压:AC1000V试验历时1分钟。主要技术指标:
型号 | 触点容量 | 触点数量 | 开关工作角度 | 动作力距 | 防护等级 | 重量 | |||
常开 | 常闭 | 一级 | 二级 | 极限角 | |||||
KPT1-12-30 | ≤380V ≤3A | 2 | 2 | 12° | 30° | 75° | 23-27 kgcm | IP55 |
|
KPT1-10-45 | ≤380V ≤3A | 2 | 2 | 10° | 45° | 75° | |||
KPT1-20-35 | ≤380V ≤3A | 2 | 2 | 20° | 35° | 75° | |||
HFKPT1-12-30 | ≤380V ≤3A | 2 | 2 | 12° | 30° | 75° | 23-27 kgcm | IP65 |
|
HFKPT1-10-45 | ≤380V ≤3A | 2 | 2 | 10° | 45° | 75° | |||
HFKPT1-20-35 | ≤380V ≤3A | 2 | 2 | 20° | 35° | 75° | |||
三、 工作原理:
本开关的工作过程是输送机胶带跑偏时,胶带触碰开关立辊,当立辊偏转至Ⅰ级动作角度时,Ⅰ级开关动作,并输出信号报警。如果胶带继续跑偏使开关的立辊达到Ⅱ级动作角度时,Ⅱ级开关发出停机信号。如果将其接至控制线路中即可实现自动停机。
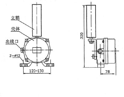
四、 外型结构:

五、 安装与接线:
1.将跑偏开关固定在支架上,然后焊接在胶带机架上;
2.立辊轴线与胶带平面相垂直,立辊与胶带边缘距离为50~100㎜
3.胶带位于立辊下端1/3处;
4.每100m胶带可安装三对跑偏开关


