风机型号分别为:WM7060-24V,WM9250-24V,WM9290-24V.
2,最高转速:转子磁极对数为2对极的情况下,支持最高转速32000PRM.
3,调速方式:能接受0-5V(B10K 电位器调速)和PWM脉冲信号调速。
4,此价格不含蓝色驱动器机壳。




站内搜索
|
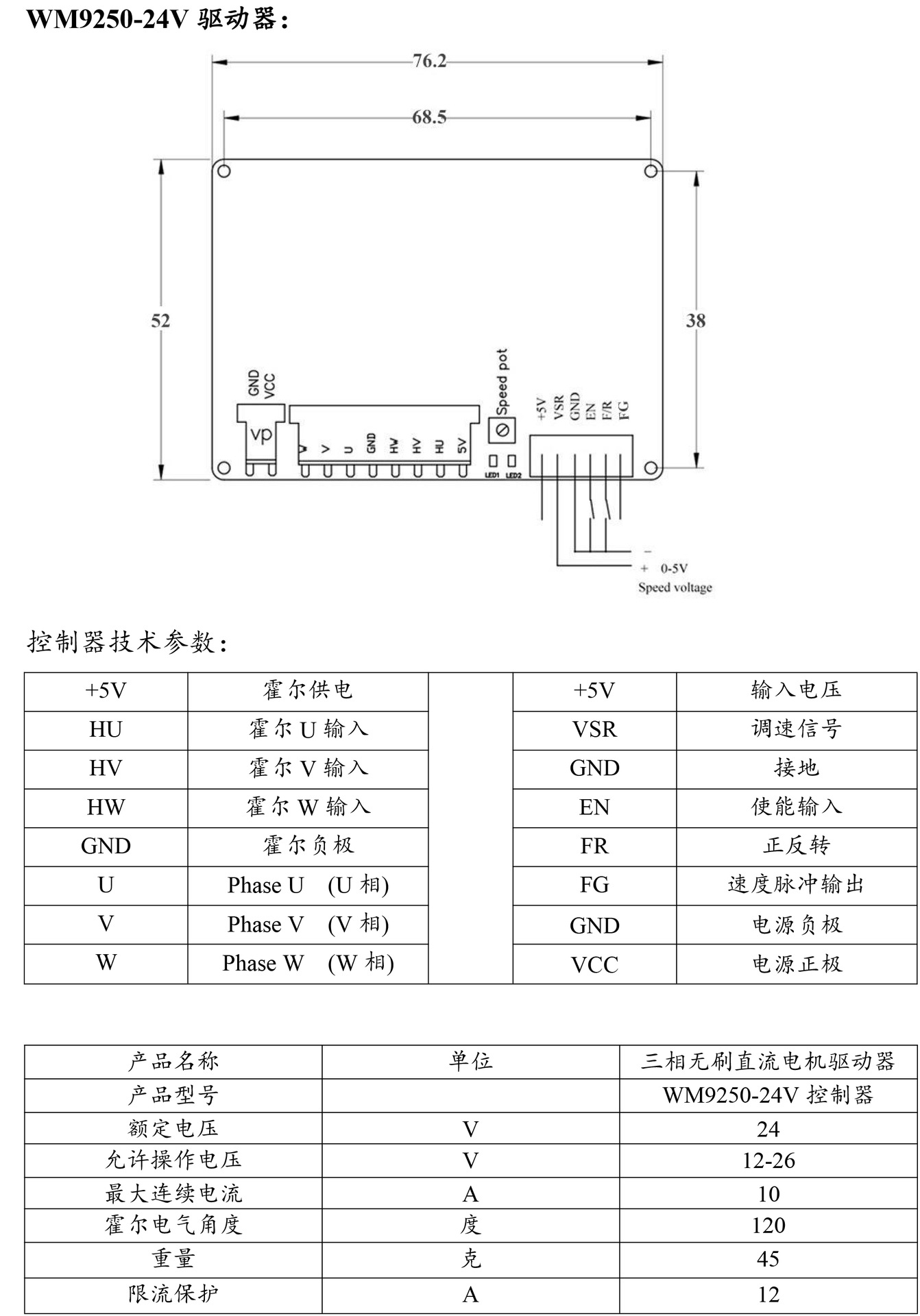
IP属地 上海详细信息 1,适用范围:此款无刷直流驱动器匹配 奉化市伟成电机厂 生产的无刷风机,
风机型号分别为:WM7060-24V,WM9250-24V,WM9290-24V.
2,最高转速:转子磁极对数为2对极的情况下,支持最高转速32000PRM.
3,调速方式:能接受0-5V(B10K 电位器调速)和PWM脉冲信号调速。
4,此价格不含蓝色驱动器机壳。 ![]() ![]() |
技术支持:中国电工电器